CN
EN
home
ABOUT US
Company Profile
Development History
Qualification
Partner
Contact
PRODUCT
Field effect transistor MOS
Silicon carbide SiC
IGBT
Integrated Circuit IC
Thyristor
TECHNOLOGY & SERVICE
Support
New product
Model Naming Rules
Product Instructions
Typical Application Manual
Quality Documents
Product reliability
Failure analysis capability
Environmental file download
Declaration of Non use of Conflict Minerals
Green Environmental Declaration
APPLICATION AREA
Car
Clean energy
Industrial control
Power supply
Smart home
Security
Instrument
Communication
Join us
CN
EN
home
ABOUT US
PRODUCT
TECHNOLOGY & SERVICE
APPLICATION AREA
Join us
goback
Company Profile
Development History
Qualification
Partner
Contact
goback
Field effect transistor MOS
Silicon carbide SiC
IGBT
Integrated Circuit IC
Thyristor
goback
Support
New product
Model Naming Rules
Product Instructions
Typical Application Manual
Quality Documents
Product reliability
Failure analysis capability
Environmental file download
Declaration of Non use of Conflict Minerals
Green Environmental Declaration
goback
Car
Clean energy
Industrial control
Power supply
Smart home
Security
Instrument
Communication
goback
goback
CN
EN
Application
Your location:
Home
/
/
Power supply
Car
Clean energy
Industrial control
Power supply
Smart home
Security
Instrument
Communication
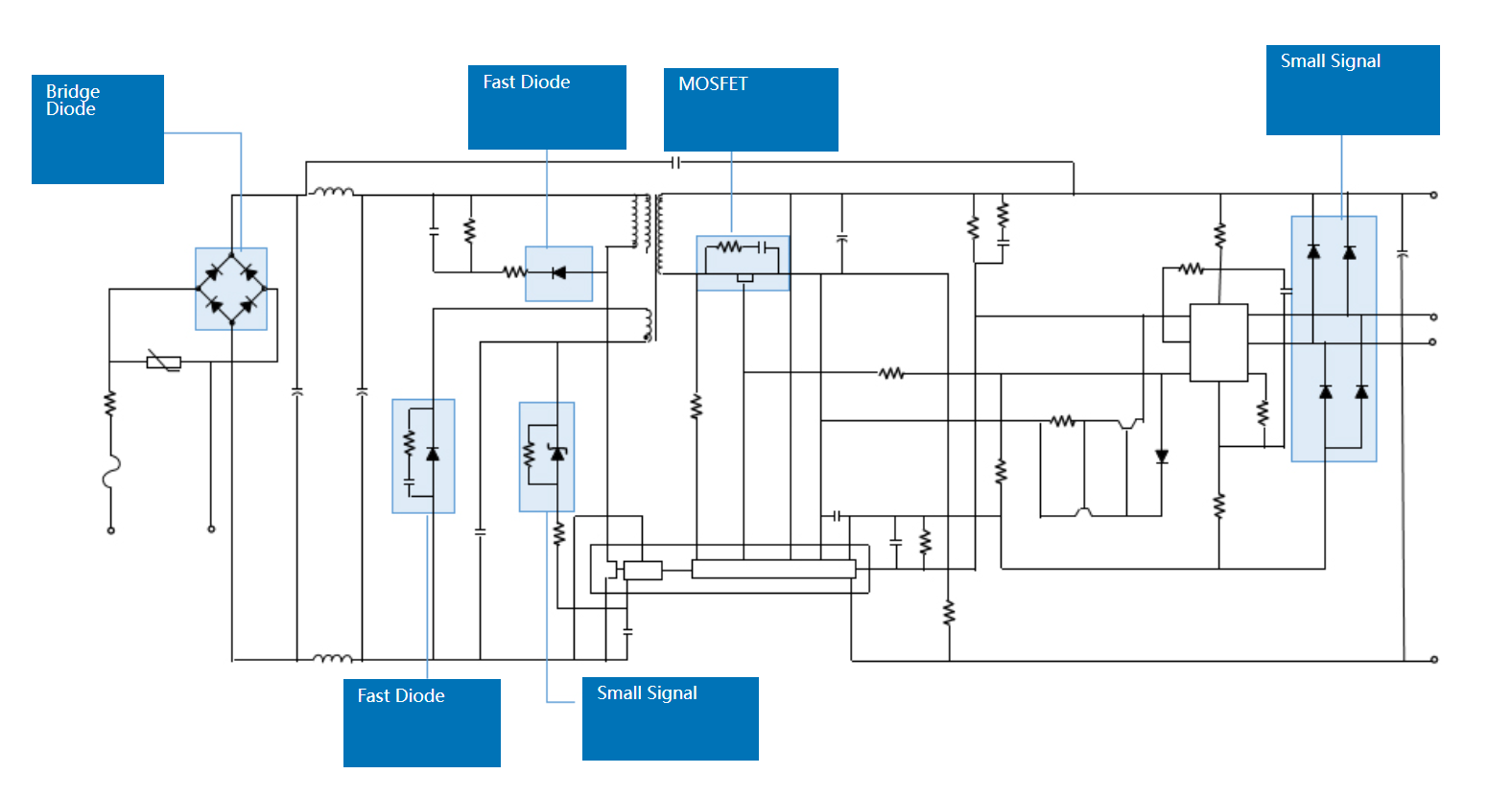
18W mobile phone charger
2025-12-19
Previous:Nothing ...
Next: